Photos
Dessins techniques
| EJEMPLO DE PEDIDO : | Référence 31-730-25 |
Informaciónes

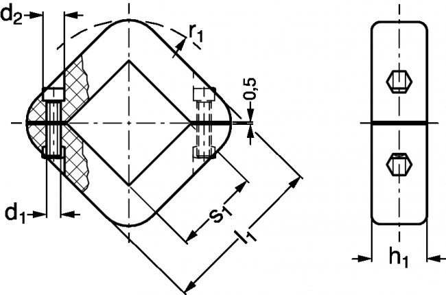
Bague d'arrêt carrée, fendue double, technopolymère
MATIERE
- Technopolymère à base de polyamide (PA) renforcé de fibre de verre.
- Vis et écrous en inox (AFNOR Z 6 CND 17-11, Werk 1.4401, AISI 316).
: Ajouter au panier pour faire une demande de prix
: Télécharger le fichier 3D
: Les références en stock sont marquées D
: Délai d'approvisionnement indiqué sous réserve de disponibilité fournisseur
: Afficher le schéma avec l'ensemble des cotes de la référence correspondante



