Informaciónes
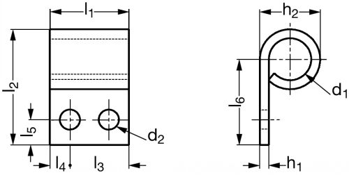
Gâche pour verrou aluminium
MATIERE
- Aluminium anodisé incolore.
UTILISATION
- S'utilise en association avec le verrou aluminium 19-158.
: Ajouter au panier pour faire une demande de prix
: Télécharger le fichier 3D
: Les références en stock sont marquées D
: Délai d'approvisionnement indiqué sous réserve de disponibilité fournisseur
: Afficher le schéma avec l'ensemble des cotes de la référence correspondante



