Photos
Dessins techniques
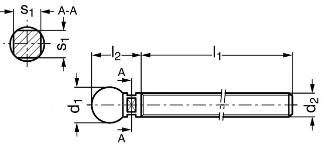
| EJEMPLO DE PEDIDO : | Référence-d2-l1 35-3255-8,5-8-48 |
Informaciónes

Rotule à tige filetée avec méplat, inox
MATIERE
- Inox (AFNOR Z 6 CN 18-09, Werk 1.4301, AISI 304).
UTILISATION
- S'utilise en association avec une base pour créer un pied articulé.
: Ajouter au panier pour faire une demande de prix
: Télécharger le fichier 3D
: Les références en stock sont marquées D
: Délai d'approvisionnement indiqué sous réserve de disponibilité fournisseur
: Afficher le schéma avec l'ensemble des cotes de la référence correspondante




