Informaciónes

Broche à billes de levage à poignée en T, inox
MATIERE
- Broche en inox (AFNOR Z 7 CNU 16-04, Werk 1.4542, AISI 630), durcie par précipitation.
- Poignée en aluminium anodisé noir.
- Bouton poussoir en aluminium anodisé rouge.
- Ressort en inox.
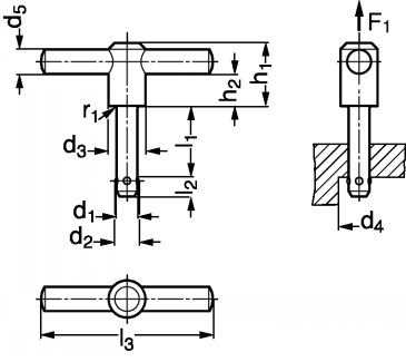
UTILISATION
- Permet d'effectuer des levages manuels uniquement.
- Ne pas utiliser avec un engin de levage ou une grue.
- Appuyer sur le bouton poussoir pour libérer les billes et permettre l'insertion ou le retrait de la broche à billes de levage 32-159.
- Lorsqu'on relâche le bouton poussoir, le ressort se détend et les billes sortent et permettent le maintien de la broche à billes en place.
- La tolérance du trou recevant l'axe de la broche à billes doit être H11.
- Associer la douille de maintien 18-154 pour un montage sécurisé et adapté à toutes les situations.
: Ajouter au panier pour faire une demande de prix
: Télécharger le fichier 3D
: Les références en stock sont marquées D
: Délai d'approvisionnement indiqué sous réserve de disponibilité fournisseur
: Afficher le schéma avec l'ensemble des cotes de la référence correspondante




