Photos
Dessins techniques
| EJEMPLO DE PEDIDO : | Référence-F0-h1 32-575-5-20-11,5 |
Informaciónes

Vidéo - Poussoirs à ressort et à pression
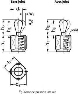
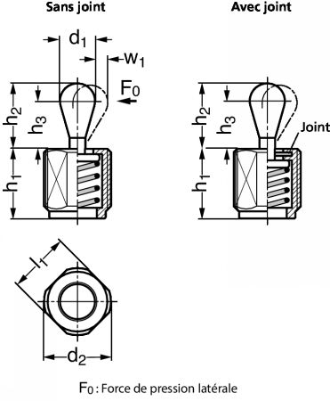
Poussoir à pression latérale fileté, tête plastique
Définition
Un poussoir à pression latérale, est un composant mécanique, équipé d'un ressort permettant d'exercer une pression latérale sur une pièce pour la maintenir.
Matière
- Corps en acier zingué, passivé bleu.
- Tête en plastique polyacétal (POM).
- Joint en caoutchouc Chloroprene (CR).
- Ressort de pression en inox (AFNOR Z 12 CN 18-09, Werk 1.4310, AISI 301).
Version
- Ce poussoir à pression latérale fileté, disponible avec ou sans joint, possède une tête en plastique qui préserve les surfaces maintenues en contact.
Plage dimensionnelle
- Plusieurs diamètres d1 sont disponibles : 5 mm, 6 mm et 10 mm.
Utilisation
- Les poussoirs à pression latérale permettent le positionnement et le serrage de pièces à usiner en évitant la construction d'un montage d'usinage.
- Joint au niveau de la tête pour protéger contre l'incrustation de saletés, copeaux, poussières et assurer une plus grande durée de vie.
: Ajouter au panier pour faire une demande de prix
: Télécharger le fichier 3D
: Les références en stock sont marquées D
: Délai d'approvisionnement indiqué sous réserve de disponibilité fournisseur
: Afficher le schéma avec l'ensemble des cotes de la référence correspondante



