Photos
Dessins techniques
| EXEMPLE DE COMMANDE : | Référence-F0-h1 (-2) 32-570-5-20-11,5 |
Informations

Vidéo - Poussoirs à ressort et à pression
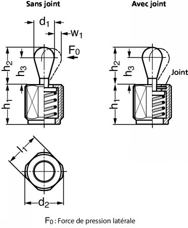
Poussoir à pression latérale fileté, tête acier
Définition
Un poussoir à ressort , également appelé poussoir à bille , est un composant mécanique, équipé d'une bille ou d'un téton à son extrémité et d'un ressort agissant sur la position de la bille/du téton.
Matière
- Corps en acier zingué, passivé bleu.
- Tête en acier zingué, passivé bleu, durci.
- Joint en caoutchouc Chloroprene (CR).
- Ressort de pression :
. Faible : inox (AFNOR Z 12 CN 18-09, Werk 1.4310, AISI 301),
. Moyen : acier bruni,
. Fort : acier zingué, passivé bleu.
Version
- Ce poussoir à pression latérale fileté, à tête acier est disponible avec un ressort faible, moyen ou fort, et avec ou sans joint.
Plage dimensionnelle
- Plusieurs diamètre d1 sont disponible : 5 mm, 6 mm et 10 mm.
Utilisation
- Les poussoirs à pression latérale permettent le positionnement et le serrage de pièces à usiner en évitant la construction d'un montage d'usinage.
- Joint au niveau de la tête pour protéger contre l'incrustation de saletés, copeaux, poussières et assurer une plus grande durée de vie.
: Ajouter au panier pour faire une demande de prix
: Télécharger le fichier 3D
: Les références en stock sont marquées D
: Délai d'approvisionnement indiqué sous réserve de disponibilité fournisseur
: Afficher le schéma avec l'ensemble des cotes de la référence correspondante



