Photos
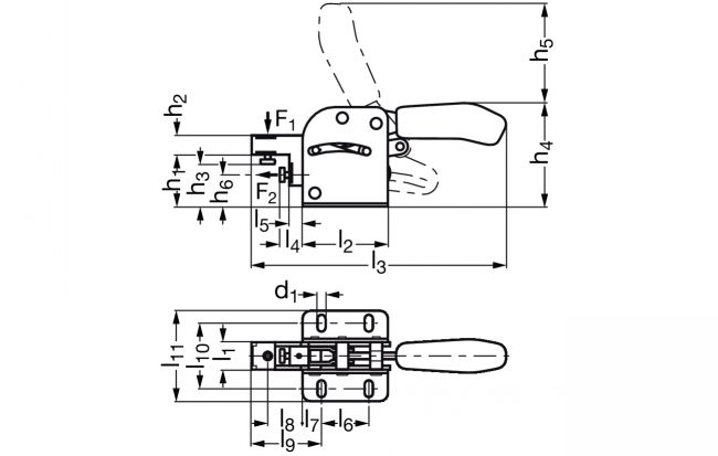
Dessins techniques
| EXEMPLE DE COMMANDE : | Référence 26-260-10 |
Informations
Sauterelle horizontale combiclamp à embase horizontale
MATIERE
- Acier zingué, passivé.
- Rivets en inox tournant dans des bagues cémentées, graissées.
- Poignée ergonomique en plastique bi-matière résistant aux huiles, couleur : rouge, vert, noir, bleu, orange, ou jaune.
UTILISATION
- S'utilise pour positionner et serrer simultanément en une seule opération.
- Le guide coulissant de serrage convertit le mouvement unique du bras de levier en 2 mouvements horizontal et vertical qui positionnent et serrent la pièce à usiner simultanément.
- La pièce à usiner est très facilement dégagée grâce au bras de serrage complètement rétractable.
: Ajouter au panier pour faire une demande de prix
: Télécharger le fichier 3D
: Les références en stock sont marquées D
: Délai d'approvisionnement indiqué sous réserve de disponibilité fournisseur
: Afficher le schéma avec l'ensemble des cotes de la référence correspondante


