×
 

Broche de centrage à ergots, acier ou inox 32-157 - Maurin Composants

32-157 BROCHE DE CENTRAGE À ERGOTS, ACIER OU INOX

Photos

Dessins techniques

Informations



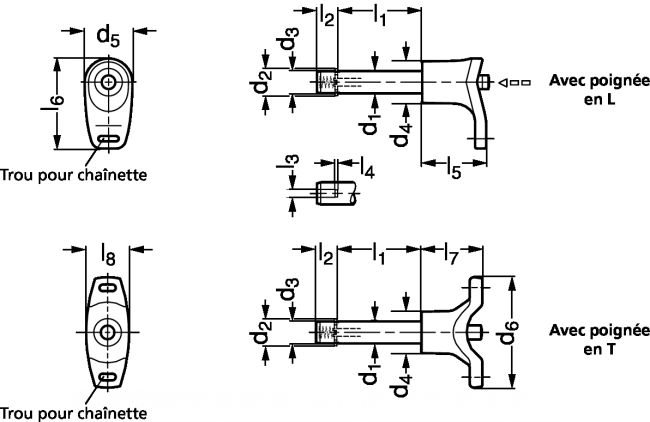
Définition
Les broches à billes ou broches de centrage sont des goupilles d'arrêt autobloquantes utilisées pour fixer, assembler, verrouiller et ajuster ou positionner rapidement des éléments.
Elles peuvent être débloquées sans outil, à l'aide d'un bouton poussoir ou d'une clé.

Matière
- Corps en acier galvanisé, passivé bleu ou en inox (AFNOR Z 6 CN 18-09, Werk 1.4301, AISI 304).
- Poignée en L ou en T en polyamide (PA) noir.
- Bouton poussoir en polyacétal (POM) rouge.
- Ergots en inox (AFNOR Z 6 CN 18-09, Werk 1.4301, AISI 304).
- Ressort en inox (AFNOR Z 11 CN 17-08, Werk 1.4310, AISI 302).
- La broche de centrage à ergots 32-157 est conforme à la directive européenne RoHS (2011/65/UE).

Version
La broche de centrage à ergots 32-157 est dotée d'une tête en forme de poignée en L ou en T pour une manipulation aisée.
Le maintien s'effectue grâce à des ergots plats.
D'autres broches de centrage de notre gamme existent avec d'autres systèmes de maintien tels que des billes et d'autres formes de têtes.
Cette poignée en L ou en T permet également de fixer une chaînette.

Plage dimensionnelle
- Goupille
Diamètre (d1) : de 6 à 20 mm
Longueur utile (l1) : de 10 à 150 mm
- Tête
Longueur de la prise en main (l6) de la poignée en L : de 32,5 à 58 mm
Diamètre de la prise en main (d6) de la poignée en T : de 40 à 58 mm
- Résistance au double cisaillement : de 14 à 228 kN

Utilisation
Pour mettre en place ou retirer la broche de centrage 32-157, il faut appuyer sur le bouton poussoir pour comprimer le ressort inox et ainsi libérer les ergots de maintien.
Lorsqu'on relâche le bouton poussoir, le ressort se détend et les ergots sont de nouveau bloqués en position « sortie », permettant le maintien de la broche de centrage en place.
Température d'emploi jusqu'à 80°C pour les versions à tête polyamide.

: Ajouter au panier pour faire une demande de prix
: Télécharger le fichier 3D
ESM_Picto_D : Les références en stock sont marquées D
ESM_Picto_Dispo : Délai d'approvisionnement indiqué sous réserve de disponibilité fournisseur
: Afficher le schéma avec l'ensemble des cotes de la référence correspondante

Quantité
 
CAD
+
 
7 jours
NC
32-1573-6-10
Poignée en L
Inox
6
7,3
0,5
5,9
15
17,5
-
10
7
2,3
0,5
23
32,5
-
-
17
 
7 jours
NC
32-1573-6-12
Poignée en L
Inox
6
7,3
0,5
5,9
15
17,5
-
12
7
2,3
0,5
23
32,5
-
-
17
 
7 jours
NC
32-1573-6-16
Poignée en L
Inox
6
7,3
0,5
5,9
15
17,5
-
16
7
2,3
0,5
23
32,5
-
-
17
 
7 jours
NC
32-1573-6-20
Poignée en L
Inox
6
7,3
0,5
5,9
15
17,5
-
20
7
2,3
0,5
23
32,5
-
-
17
 
7 jours
NC
32-1573-6-25
Poignée en L
Inox
6
7,3
0,5
5,9
15
17,5
-
25
7
2,3
0,5
23
32,5
-
-
17
 
7 jours
NC
32-1573-6-30
Poignée en L
Inox
6
7,3
0,5
5,9
15
17,5
-
30
7
2,3
0,5
23
32,5
-
-
17
 
7 jours
NC
32-1573-6-35
Poignée en L
Inox
6
7,3
0,5
5,9
15
17,5
-
35
7
2,3
0,5
23
32,5
-
-
17
 
7 jours
NC
32-1573-6-40
Poignée en L
Inox
6
7,3
0,5
5,9
15
17,5
-
40
7
2,3
0,5
23
32,5
-
-
17
 
7 jours
NC
32-1573-6-45
Poignée en L
Inox
6
7,3
0,5
5,9
15
17,5
-
45
7
2,3
0,5
23
32,5
-
-
17
 
7 jours
NC
32-1573-6-50
Poignée en L
Inox
6
7,3
0,5
5,9
15
17,5
-
50
7
2,3
0,5
23
32,5
-
-
17
 
7 jours
NC
32-1573-6-60
Poignée en L
Inox
6
7,3
0,5
5,9
15
17,5
-
60
7
2,3
0,5
23
32,5
-
-
17
 
7 jours
NC
32-1573-6-70
Poignée en L
Inox
6
7,3
0,5
5,9
15
17,5
-
70
7
2,3
0,5
23
32,5
-
-
17
 
7 jours
NC
32-1573-6-80
Poignée en L
Inox
6
7,3
0,5
5,9
15
17,5
-
80
7
2,3
0,5
23
32,5
-
-
17
 
7 jours
NC
32-1573-8-10
Poignée en L
Inox
8
9,8
0,5
7,9
15
17,5
-
10
8,4
2,8
0,6
23
32,5
-
-
35
 
7 jours
NC
32-1573-8-16
Poignée en L
Inox
8
9,8
0,5
7,9
15
17,5
-
16
8,4
2,8
0,6
23
32,5
-
-
35
 
7 jours
NC
32-1573-8-20
Poignée en L
Inox
8
9,8
0,5
7,9
15
17,5
-
20
8,4
2,8
0,6
23
32,5
-
-
35
 
7 jours
NC
32-1573-8-25
Poignée en L
Inox
8
9,8
0,5
7,9
15
17,5
-
25
8,4
2,8
0,6
23
32,5
-
-
35
 
7 jours
NC
32-1573-8-30
Poignée en L
Inox
8
9,8
0,5
7,9
15
17,5
-
30
8,4
2,8
0,6
23
32,5
-
-
35
 
7 jours
NC
32-1573-8-35
Poignée en L
Inox
8
9,8
0,5
7,9
15
17,5
-
35
8,4
2,8
0,6
23
32,5
-
-
35
 
7 jours
NC
32-1573-8-40
Poignée en L
Inox
8
9,8
0,5
7,9
15
17,5
-
40
8,4
2,8
0,6
23
32,5
-
-
35
 
7 jours
NC
32-1573-8-45
Poignée en L
Inox
8
9,8
0,5
7,9
15
17,5
-
45
8,4
2,8
0,6
23
32,5
-
-
35
 
7 jours
NC
32-1573-8-50
Poignée en L
Inox
8
9,8
0,5
7,9
15
17,5
-
50
8,4
2,8
0,6
23
32,5
-
-
35
 
7 jours
NC
32-1573-8-60
Poignée en L
Inox
8
9,8
0,5
7,9
15
17,5
-
60
8,4
2,8
0,6
23
32,5
-
-
35
 
7 jours
NC
32-1573-8-70
Poignée en L
Inox
8
9,8
0,5
7,9
15
17,5
-
70
8,4
2,8
0,6
23
32,5
-
-
35
 
7 jours
NC
32-1573-8-80
Poignée en L
Inox
8
9,8
0,5
7,9
15
17,5
-
80
8,4
2,8
0,6
23
32,5
-
-
35
 
7 jours
NC
32-1573-8-90
Poignée en L
Inox
8
9,8
0,5
7,9
15
17,5
-
90
8,4
2,8
0,6
23
32,5
-
-
35
 
7 jours
NC
32-1573-8-100
Poignée en L
Inox
8
9,8
0,5
7,9
15
17,5
-
100
8,4
2,8
0,6
23
32,5
-
-
35
 
7 jours
NC
32-1573-10-15
Poignée en L
Inox
10
11,7
1
9,9
18
23
-
15
9,8
3,3
1
30,5
43,5
-
-
47
 
7 jours
NC
32-1573-10-20
Poignée en L
Inox
10
11,7
1
9,9
18
23
-
20
9,8
3,3
1
30,5
43,5
-
-
47
 
7 jours
NC
32-1573-10-25
Poignée en L
Inox
10
11,7
1
9,9
18
23
-
25
9,8
3,3
1
30,5
43,5
-
-
47
 
7 jours
NC
32-1573-10-30
Poignée en L
Inox
10
11,7
1
9,9
18
23
-
30
9,8
3,3
1
30,5
43,5
-
-
47
 
7 jours
NC
32-1573-10-35
Poignée en L
Inox
10
11,7
1
9,9
18
23
-
35
9,8
3,3
1
30,5
43,5
-
-
47
 
7 jours
NC
32-1573-10-40
Poignée en L
Inox
10
11,7
1
9,9
18
23
-
40
9,8
3,3
1
30,5
43,5
-
-
47
 
7 jours
NC
32-1573-10-45
Poignée en L
Inox
10
11,7
1
9,9
18
23
-
45
9,8
3,3
1
30,5
43,5
-
-
47
 
7 jours
NC
32-1573-10-50
Poignée en L
Inox
10
11,7
1
9,9
18
23
-
50
9,8
3,3
1
30,5
43,5
-
-
47
 
7 jours
NC
32-1573-10-60
Poignée en L
Inox
10
11,7
1
9,9
18
23
-
60
9,8
3,3
1
30,5
43,5
-
-
47
 
7 jours
NC
32-1573-10-70
Poignée en L
Inox
10
11,7
1
9,9
18
23
-
70
9,8
3,3
1
30,5
43,5
-
-
47
 
7 jours
NC
32-1573-10-80
Poignée en L
Inox
10
11,7
1
9,9
18
23
-
80
9,8
3,3
1
30,5
43,5
-
-
47
 
7 jours
NC
32-1573-10-90
Poignée en L
Inox
10
11,7
1
9,9
18
23
-
90
9,8
3,3
1
30,5
43,5
-
-
47
 
7 jours
NC
32-1573-10-100
Poignée en L
Inox
10
11,7
1
9,9
18
23
-
100
9,8
3,3
1
30,5
43,5
-
-
47
 
7 jours
NC
32-1573-10-110
Poignée en L
Inox
10
11,7
1
9,9
18
23
-
110
9,8
3,3
1
30,5
43,5
-
-
47
 
7 jours
NC
32-1573-10-120
Poignée en L
Inox
10
11,7
1
9,9
18
23
-
120
9,8
3,3
1
30,5
43,5
-
-
47
 
7 jours
NC
32-1573-12-20
Poignée en L
Inox
12
13,7
1
11,9
18
23
-
20
11,3
3,8
1
30,5
43,5
-
-
75
 
7 jours
NC
32-1573-12-25
Poignée en L
Inox
12
13,7
1
11,9
18
23
-
25
11,3
3,8
1
30,5
43,5
-
-
75
 
7 jours
NC
32-1573-12-30
Poignée en L
Inox
12
13,7
1
11,9
18
23
-
30
11,3
3,8
1
30,5
43,5
-
-
75
 
7 jours
NC
32-1573-12-35
Poignée en L
Inox
12
13,7
1
11,9
18
23
-
35
11,3
3,8
1
30,5
43,5
-
-
75
 
7 jours
NC
32-1573-12-40
Poignée en L
Inox
12
13,7
1
11,9
18
23
-
40
11,3
3,8
1
30,5
43,5
-
-
75
 
7 jours
NC
32-1573-12-45
Poignée en L
Inox
12
13,7
1
11,9
18
23
-
45
11,3
3,8
1
30,5
43,5
-
-
75
 
7 jours
NC
32-1573-12-50
Poignée en L
Inox
12
13,7
1
11,9
18
23
-
50
11,3
3,8
1
30,5
43,5
-
-
75
 
7 jours
NC
32-1573-12-60
Poignée en L
Inox
12
13,7
1
11,9
18
23
-
60
11,3
3,8
1
30,5
43,5
-
-
75
 
7 jours
NC
32-1573-12-70
Poignée en L
Inox
12
13,7
1
11,9
18
23
-
70
11,3
3,8
1
30,5
43,5
-
-
75
 
7 jours
NC
32-1573-12-80
Poignée en L
Inox
12
13,7
1
11,9
18
23
-
80
11,3
3,8
1
30,5
43,5
-
-
75
 
7 jours
NC
32-1573-12-90
Poignée en L
Inox
12
13,7
1
11,9
18
23
-
90
11,3
3,8
1
30,5
43,5
-
-
75
 
7 jours
NC
32-1573-12-100
Poignée en L
Inox
12
13,7
1
11,9
18
23
-
100
11,3
3,8
1
30,5
43,5
-
-
75
 
7 jours
NC
32-1573-12-110
Poignée en L
Inox
12
13,7
1
11,9
18
23
-
110
11,3
3,8
1
30,5
43,5
-
-
75
 
7 jours
NC
32-1573-12-120
Poignée en L
Inox
12
13,7
1
11,9
18
23
-
120
11,3
3,8
1
30,5
43,5
-
-
75
 
7 jours
NC
32-1573-16-30
Poignée en L
Inox
16
18,7
1
15,9
22
30,5
-
30
14,2
4,8
1,2
38,5
58
-
-
138
 
7 jours
NC
32-1573-16-35
Poignée en L
Inox
16
18,7
1
15,9
22
30,5
-
35
14,2
4,8
1,2
38,5
58
-
-
138
 
7 jours
NC
32-1573-16-40
Poignée en L
Inox
16
18,7
1
15,9
22
30,5
-
40
14,2
4,8
1,2
38,5
58
-
-
138
 
7 jours
NC
32-1573-16-45
Poignée en L
Inox
16
18,7
1
15,9
22
30,5
-
45
14,2
4,8
1,2
38,5
58
-
-
138
 
7 jours
NC
32-1573-16-50
Poignée en L
Inox
16
18,7
1
15,9
22
30,5
-
50
14,2
4,8
1,2
38,5
58
-
-
138
 
7 jours
NC
32-1573-16-60
Poignée en L
Inox
16
18,7
1
15,9
22
30,5
-
60
14,2
4,8
1,2
38,5
58
-
-
138
 
7 jours
NC
32-1573-16-70
Poignée en L
Inox
16
18,7
1
15,9
22
30,5
-
70
14,2
4,8
1,2
38,5
58
-
-
138
 
7 jours
NC
32-1573-16-80
Poignée en L
Inox
16
18,7
1
15,9
22
30,5
-
80
14,2
4,8
1,2
38,5
58
-
-
138
 
7 jours
NC
32-1573-16-90
Poignée en L
Inox
16
18,7
1
15,9
22
30,5
-
90
14,2
4,8
1,2
38,5
58
-
-
138
 
7 jours
NC
32-1573-16-100
Poignée en L
Inox
16
18,7
1
15,9
22
30,5
-
100
14,2
4,8
1,2
38,5
58
-
-
138
 
7 jours
NC
32-1573-16-110
Poignée en L
Inox
16
18,7
1
15,9
22
30,5
-
110
14,2
4,8
1,2
38,5
58
-
-
138
 
7 jours
NC
32-1573-16-120
Poignée en L
Inox
16
18,7
1
15,9
22
30,5
-
120
14,2
4,8
1,2
38,5
58
-
-
138
 
7 jours
NC
32-1573-16-130
Poignée en L
Inox
16
18,7
1
15,9
22
30,5
-
130
14,2
4,8
1,2
38,5
58
-
-
138
 
7 jours
NC
32-1573-16-140
Poignée en L
Inox
16
18,7
1
15,9
22
30,5
-
140
14,2
4,8
1,2
38,5
58
-
-
138
 
7 jours
NC
32-1573-16-150
Poignée en L
Inox
16
18,7
1
15,9
22
30,5
-
150
14,2
4,8
1,2
38,5
58
-
-
138
 
7 jours
NC
32-1573-20-30
Poignée en L
Inox
20
22,7
1
19,8
25
30,5
-
30
14,2
4,8
1,2
38,5
58
-
-
228
 
7 jours
NC
32-1573-20-35
Poignée en L
Inox
20
22,7
1
19,8
25
30,5
-
35
14,2
4,8
1,2
38,5
58
-
-
228
 
7 jours
NC
32-1573-20-40
Poignée en L
Inox
20
22,7
1
19,8
25
30,5
-
40
14,2
4,8
1,2
38,5
58
-
-
228
 
7 jours
NC
32-1573-20-45
Poignée en L
Inox
20
22,7
1
19,8
25
30,5
-
45
14,2
4,8
1,2
38,5
58
-
-
228
 
7 jours
NC
32-1573-20-50
Poignée en L
Inox
20
22,7
1
19,8
25
30,5
-
50
14,2
4,8
1,2
38,5
58
-
-
228
 
7 jours
NC
32-1573-20-60
Poignée en L
Inox
20
22,7
1
19,8
25
30,5
-
60
14,2
4,8
1,2
38,5
58
-
-
228
 
7 jours
NC
32-1573-20-70
Poignée en L
Inox
20
22,7
1
19,8
25
30,5
-
70
14,2
4,8
1,2
38,5
58
-
-
228
 
7 jours
NC
32-1573-20-80
Poignée en L
Inox
20
22,7
1
19,8
25
30,5
-
80
14,2
4,8
1,2
38,5
58
-
-
228
 
7 jours
NC
32-1573-20-90
Poignée en L
Inox
20
22,7
1
19,8
25
30,5
-
90
14,2
4,8
1,2
38,5
58
-
-
228
 
7 jours
NC
32-1573-20-100
Poignée en L
Inox
20
22,7
1
19,8
25
30,5
-
100
14,2
4,8
1,2
38,5
58
-
-
228
 
7 jours
NC
32-1573-20-110
Poignée en L
Inox
20
22,7
1
19,8
25
30,5
-
110
14,2
4,8
1,2
38,5
58
-
-
228
 
7 jours
NC
32-1573-20-120
Poignée en L
Inox
20
22,7
1
19,8
25
30,5
-
120
14,2
4,8
1,2
38,5
58
-
-
228
 
7 jours
NC
32-1573-20-130
Poignée en L
Inox
20
22,7
1
19,8
25
30,5
-
130
14,2
4,8
1,2
38,5
58
-
-
228
 
7 jours
NC
32-1573-20-140
Poignée en L
Inox
20
22,7
1
19,8
25
30,5
-
140
14,2
4,8
1,2
38,5
58
-
-
228
 
7 jours
NC
32-1573-20-150
Poignée en L
Inox
20
22,7
1
19,8
25
30,5
-
150
14,2
4,8
1,2
38,5
58
-
-
228
 
7 jours
NC
32-1574-6-10
Poignée en L
Acier
6
7,3
0,5
5,9
15
17,5
-
10
7
2,3
0,5
23
32,5
-
-
14
 
7 jours
NC
32-1574-6-12
Poignée en L
Acier
6
7,3
0,5
5,9
15
17,5
-
12
7
2,3
0,5
23
32,5
-
-
14
 
7 jours
NC
32-1574-6-16
Poignée en L
Acier
6
7,3
0,5
5,9
15
17,5
-
16
7
2,3
0,5
23
32,5
-
-
14
 
7 jours
NC
32-1574-6-20
Poignée en L
Acier
6
7,3
0,5
5,9
15
17,5
-
20
7
2,3
0,5
23
32,5
-
-
14
 
7 jours
NC
32-1574-6-25
Poignée en L
Acier
6
7,3
0,5
5,9
15
17,5
-
25
7
2,3
0,5
23
32,5
-
-
14
 
7 jours
NC
32-1574-6-30
Poignée en L
Acier
6
7,3
0,5
5,9
15
17,5
-
30
7
2,3
0,5
23
32,5
-
-
14
 
7 jours
NC
32-1574-6-35
Poignée en L
Acier
6
7,3
0,5
5,9
15
17,5
-
35
7
2,3
0,5
23
32,5
-
-
14
 
7 jours
NC
32-1574-6-40
Poignée en L
Acier
6
7,3
0,5
5,9
15
17,5
-
40
7
2,3
0,5
23
32,5
-
-
14
 
7 jours
NC
32-1574-6-45
Poignée en L
Acier
6
7,3
0,5
5,9
15
17,5
-
45
7
2,3
0,5
23
32,5
-
-
14
 
7 jours
NC
32-1574-6-50
Poignée en L
Acier
6
7,3
0,5
5,9
15
17,5
-
50
7
2,3
0,5
23
32,5
-
-
14
 
7 jours
NC
32-1574-6-60
Poignée en L
Acier
6
7,3
0,5
5,9
15
17,5
-
60
7
2,3
0,5
23
32,5
-
-
14
 
7 jours
NC
32-1574-6-70
Poignée en L
Acier
6
7,3
0,5
5,9
15
17,5
-
70
7
2,3
0,5
23
32,5
-
-
14
 
7 jours
NC
32-1574-6-80
Poignée en L
Acier
6
7,3
0,5
5,9
15
17,5
-
80
7
2,3
0,5
23
32,5
-
-
14
 
7 jours
NC
32-1574-8-10
Poignée en L
Acier
8
9,8
0,5
7,9
15
17,5
-
10
8,4
2,8
0,6
23
32,5
-
-
28
 
7 jours
NC
32-1574-8-16
Poignée en L
Acier
8
9,8
0,5
7,9
15
17,5
-
16
8,4
2,8
0,6
23
32,5
-
-
28
 
7 jours
NC
32-1574-8-20
Poignée en L
Acier
8
9,8
0,5
7,9
15
17,5
-
20
8,4
2,8
0,6
23
32,5
-
-
28
 
7 jours
NC
32-1574-8-25
Poignée en L
Acier
8
9,8
0,5
7,9
15
17,5
-
25
8,4
2,8
0,6
23
32,5
-
-
28
 
7 jours
NC
32-1574-8-30
Poignée en L
Acier
8
9,8
0,5
7,9
15
17,5
-
30
8,4
2,8
0,6
23
32,5
-
-
28
 
7 jours
NC
32-1574-8-35
Poignée en L
Acier
8
9,8
0,5
7,9
15
17,5
-
35
8,4
2,8
0,6
23
32,5
-
-
28
 
7 jours
NC
32-1574-8-40
Poignée en L
Acier
8
9,8
0,5
7,9
15
17,5
-
40
8,4
2,8
0,6
23
32,5
-
-
28
 
7 jours
NC
32-1574-8-45
Poignée en L
Acier
8
9,8
0,5
7,9
15
17,5
-
45
8,4
2,8
0,6
23
32,5
-
-
28
 
7 jours
NC
32-1574-8-50
Poignée en L
Acier
8
9,8
0,5
7,9
15
17,5
-
50
8,4
2,8
0,6
23
32,5
-
-
28
 
7 jours
NC
32-1574-8-60
Poignée en L
Acier
8
9,8
0,5
7,9
15
17,5
-
60
8,4
2,8
0,6
23
32,5
-
-
28
 
7 jours
NC
32-1574-8-70
Poignée en L
Acier
8
9,8
0,5
7,9
15
17,5
-
70
8,4
2,8
0,6
23
32,5
-
-
28
 
7 jours
NC
32-1574-8-80
Poignée en L
Acier
8
9,8
0,5
7,9
15
17,5
-
80
8,4
2,8
0,6
23
32,5
-
-
28
 
7 jours
NC
32-1574-8-90
Poignée en L
Acier
8
9,8
0,5
7,9
15
17,5
-
90
8,4
2,8
0,6
23
32,5
-
-
28
 
7 jours
NC
32-1574-8-100
Poignée en L
Acier
8
9,8
0,5
7,9
15
17,5
-
100
8,4
2,8
0,6
23
32,5
-
-
28
 
7 jours
NC
32-1574-10-15
Poignée en L
Acier
10
11,7
1
9,9
18
23
-
15
9,8
3,3
1
30,5
43,5
-
-
38
 
7 jours
NC
32-1574-10-20
Poignée en L
Acier
10
11,7
1
9,9
18
23
-
20
9,8
3,3
1
30,5
43,5
-
-
38
 
7 jours
NC
32-1574-10-25
Poignée en L
Acier
10
11,7
1
9,9
18
23
-
25
9,8
3,3
1
30,5
43,5
-
-
38
 
7 jours
NC
32-1574-10-30
Poignée en L
Acier
10
11,7
1
9,9
18
23
-
30
9,8
3,3
1
30,5
43,5
-
-
38
 
7 jours
NC
32-1574-10-35
Poignée en L
Acier
10
11,7
1
9,9
18
23
-
35
9,8
3,3
1
30,5
43,5
-
-
38
 
7 jours
NC
32-1574-10-40
Poignée en L
Acier
10
11,7
1
9,9
18
23
-
40
9,8
3,3
1
30,5
43,5
-
-
38
 
7 jours
NC
32-1574-10-45
Poignée en L
Acier
10
11,7
1
9,9
18
23
-
45
9,8
3,3
1
30,5
43,5
-
-
38
 
7 jours
NC
32-1574-10-50
Poignée en L
Acier
10
11,7
1
9,9
18
23
-
50
9,8
3,3
1
30,5
43,5
-
-
38
 
7 jours
NC
32-1574-10-60
Poignée en L
Acier
10
11,7
1
9,9
18
23
-
60
9,8
3,3
1
30,5
43,5
-
-
38
 
7 jours
NC
32-1574-10-70
Poignée en L
Acier
10
11,7
1
9,9
18
23
-
70
9,8
3,3
1
30,5
43,5
-
-
38
 
7 jours
NC
32-1574-10-80
Poignée en L
Acier
10
11,7
1
9,9
18
23
-
80
9,8
3,3
1
30,5
43,5
-
-
38
 
7 jours
NC
32-1574-10-90
Poignée en L
Acier
10
11,7
1
9,9
18
23
-
90
9,8
3,3
1
30,5
43,5
-
-
38
 
7 jours
NC
32-1574-10-100
Poignée en L
Acier
10
11,7
1
9,9
18
23
-
100
9,8
3,3
1
30,5
43,5
-
-
38
 
7 jours
NC
32-1574-10-110
Poignée en L
Acier
10
11,7
1
9,9
18
23
-
110
9,8
3,3
1
30,5
43,5
-
-
38
 
7 jours
NC
32-1574-10-120
Poignée en L
Acier
10
11,7
1
9,9
18
23
-
120
9,8
3,3
1
30,5
43,5
-
-
38
 
7 jours
NC
32-1574-12-20
Poignée en L
Acier
12
13,7
1
11,9
18
23
-
20
11,3
3,8
1
30,5
43,5
-
-
61
 
7 jours
NC
32-1574-12-25
Poignée en L
Acier
12
13,7
1
11,9
18
23
-
25
11,3
3,8
1
30,5
43,5
-
-
61
 
7 jours
NC
32-1574-12-30
Poignée en L
Acier
12
13,7
1
11,9
18
23
-
30
11,3
3,8
1
30,5
43,5
-
-
61
 
7 jours
NC
32-1574-12-35
Poignée en L
Acier
12
13,7
1
11,9
18
23
-
35
11,3
3,8
1
30,5
43,5
-
-
61
 
7 jours
NC
32-1574-12-40
Poignée en L
Acier
12
13,7
1
11,9
18
23
-
40
11,3
3,8
1
30,5
43,5
-
-
61
 
7 jours
NC
32-1574-12-45
Poignée en L
Acier
12
13,7
1
11,9
18
23
-
45
11,3
3,8
1
30,5
43,5
-
-
61
 
7 jours
NC
32-1574-12-50
Poignée en L
Acier
12
13,7
1
11,9
18
23
-
50
11,3
3,8
1
30,5
43,5
-
-
61
 
7 jours
NC
32-1574-12-60
Poignée en L
Acier
12
13,7
1
11,9
18
23
-
60
11,3
3,8
1
30,5
43,5
-
-
61
 
7 jours
NC
32-1574-12-70
Poignée en L
Acier
12
13,7
1
11,9
18
23
-
70
11,3
3,8
1
30,5
43,5
-
-
61
 
7 jours
NC
32-1574-12-80
Poignée en L
Acier
12
13,7
1
11,9
18
23
-
80
11,3
3,8
1
30,5
43,5
-
-
61
 
7 jours
NC
32-1574-12-90
Poignée en L
Acier
12
13,7
1
11,9
18
23
-
90
11,3
3,8
1
30,5
43,5
-
-
61
 
7 jours
NC
32-1574-12-100
Poignée en L
Acier
12
13,7
1
11,9
18
23
-
100
11,3
3,8
1
30,5
43,5
-
-
61
 
7 jours
NC
32-1574-12-110
Poignée en L
Acier
12
13,7
1
11,9
18
23
-
110
11,3
3,8
1
30,5
43,5
-
-
61
 
7 jours
NC
32-1574-12-120
Poignée en L
Acier
12
13,7
1
11,9
18
23
-
120
11,3
3,8
1
30,5
43,5
-
-
61
 
7 jours
NC
32-1574-16-30
Poignée en L
Acier
16
18,7
1
15,9
22
30,5
-
30
14,2
4,8
1,2
38,5
58
-
-
113
 
7 jours
NC
32-1574-16-35
Poignée en L
Acier
16
18,7
1
15,9
22
30,5
-
35
14,2
4,8
1,2
38,5
58
-
-
113
 
7 jours
NC
32-1574-16-40
Poignée en L
Acier
16
18,7
1
15,9
22
30,5
-
40
14,2
4,8
1,2
38,5
58
-
-
113
 
7 jours
NC
32-1574-16-45
Poignée en L
Acier
16
18,7
1
15,9
22
30,5
-
45
14,2
4,8
1,2
38,5
58
-
-
113
 
7 jours
NC
32-1574-16-50
Poignée en L
Acier
16
18,7
1
15,9
22
30,5
-
50
14,2
4,8
1,2
38,5
58
-
-
113
 
7 jours
NC
32-1574-16-60
Poignée en L
Acier
16
18,7
1
15,9
22
30,5
-
60
14,2
4,8
1,2
38,5
58
-
-
113
 
7 jours
NC
32-1574-16-70
Poignée en L
Acier
16
18,7
1
15,9
22
30,5
-
70
14,2
4,8
1,2
38,5
58
-
-
113
 
7 jours
NC
32-1574-16-80
Poignée en L
Acier
16
18,7
1
15,9
22
30,5
-
80
14,2
4,8
1,2
38,5
58
-
-
113
 
7 jours
NC
32-1574-16-90
Poignée en L
Acier
16
18,7
1
15,9
22
30,5
-
90
14,2
4,8
1,2
38,5
58
-
-
113
 
7 jours
NC
32-1574-16-100
Poignée en L
Acier
16
18,7
1
15,9
22
30,5
-
100
14,2
4,8
1,2
38,5
58
-
-
113
 
7 jours
NC
32-1574-16-110
Poignée en L
Acier
16
18,7
1
15,9
22
30,5
-
110
14,2
4,8
1,2
38,5
58
-
-
113
 
7 jours
NC
32-1574-16-120
Poignée en L
Acier
16
18,7
1
15,9
22
30,5
-
120
14,2
4,8
1,2
38,5
58
-
-
113
 
7 jours
NC
32-1574-16-130
Poignée en L
Acier
16
18,7
1
15,9
22
30,5
-
130
14,2
4,8
1,2
38,5
58
-
-
113
 
7 jours
NC
32-1574-16-140
Poignée en L
Acier
16
18,7
1
15,9
22
30,5
-
140
14,2
4,8
1,2
38,5
58
-
-
113
 
7 jours
NC
32-1574-16-150
Poignée en L
Acier
16
18,7
1
15,9
22
30,5
-
150
14,2
4,8
1,2
38,5
58
-
-
113
 
7 jours
NC
32-1574-20-30
Poignée en L
Acier
20
22,7
1
19,8
25
30,5
-
30
14,2
4,8
1,2
38,5
58
-
-
187
 
7 jours
NC
32-1574-20-35
Poignée en L
Acier
20
22,7
1
19,8
25
30,5
-
35
14,2
4,8
1,2
38,5
58
-
-
187
 
7 jours
NC
32-1574-20-40
Poignée en L
Acier
20
22,7
1
19,8
25
30,5
-
40
14,2
4,8
1,2
38,5
58
-
-
187
 
7 jours
NC
32-1574-20-45
Poignée en L
Acier
20
22,7
1
19,8
25
30,5
-
45
14,2
4,8
1,2
38,5
58
-
-
187
 
7 jours
NC
32-1574-20-50
Poignée en L
Acier
20
22,7
1
19,8
25
30,5
-
50
14,2
4,8
1,2
38,5
58
-
-
187
 
7 jours
NC
32-1574-20-60
Poignée en L
Acier
20
22,7
1
19,8
25
30,5
-
60
14,2
4,8
1,2
38,5
58
-
-
187
 
7 jours
NC
32-1574-20-70
Poignée en L
Acier
20
22,7
1
19,8
25
30,5
-
70
14,2
4,8
1,2
38,5
58
-
-
187
 
7 jours
NC
32-1574-20-80
Poignée en L
Acier
20
22,7
1
19,8
25
30,5
-
80
14,2
4,8
1,2
38,5
58
-
-
187
 
7 jours
NC
32-1574-20-90
Poignée en L
Acier
20
22,7
1
19,8
25
30,5
-
90
14,2
4,8
1,2
38,5
58
-
-
187
 
7 jours
NC
32-1574-20-100
Poignée en L
Acier
20
22,7
1
19,8
25
30,5
-
100
14,2
4,8
1,2
38,5
58
-
-
187
 
7 jours
NC
32-1574-20-110
Poignée en L
Acier
20
22,7
1
19,8
25
30,5
-
110
14,2
4,8
1,2
38,5
58
-
-
187
 
7 jours
NC
32-1574-20-120
Poignée en L
Acier
20
22,7
1
19,8
25
30,5
-
120
14,2
4,8
1,2
38,5
58
-
-
187
 
7 jours
NC
32-1574-20-130
Poignée en L
Acier
20
22,7
1
19,8
25
30,5
-
130
14,2
4,8
1,2
38,5
58
-
-
187
 
7 jours
NC
32-1574-20-140
Poignée en L
Acier
20
22,7
1
19,8
25
30,5
-
140
14,2
4,8
1,2
38,5
58
-
-
187
 
7 jours
NC
32-1574-20-150
Poignée en L
Acier
20
22,7
1
19,8
25
30,5
-
150
14,2
4,8
1,2
38,5
58
-
-
187
 
7 jours
NC
32-1575-6-10
Poignée en T
Inox
6
7,3
0,5
5,9
15
-
40
10
7
2,3
0,5
-
-
22
15,5
17
 
7 jours
NC
32-1575-6-12
Poignée en T
Inox
6
7,3
0,5
5,9
15
-
40
12
7
2,3
0,5
-
-
22
15,5
17
 
7 jours
NC
32-1575-6-16
Poignée en T
Inox
6
7,3
0,5
5,9
15
-
40
16
7
2,3
0,5
-
-
22
15,5
17
 
7 jours
NC
32-1575-6-20
Poignée en T
Inox
6
7,3
0,5
5,9
15
-
40
20
7
2,3
0,5
-
-
22
15,5
17
 
7 jours
NC
32-1575-6-25
Poignée en T
Inox
6
7,3
0,5
5,9
15
-
40
25
7
2,3
0,5
-
-
22
15,5
17
 
7 jours
NC
32-1575-6-30
Poignée en T
Inox
6
7,3
0,5
5,9
15
-
40
30
7
2,3
0,5
-
-
22
15,5
17
 
7 jours
NC
32-1575-6-35
Poignée en T
Inox
6
7,3
0,5
5,9
15
-
40
35
7
2,3
0,5
-
-
22
15,5
17
 
7 jours
NC
32-1575-6-40
Poignée en T
Inox
6
7,3
0,5
5,9
15
-
40
40
7
2,3
0,5
-
-
22
15,5
17
 
7 jours
NC
32-1575-6-45
Poignée en T
Inox
6
7,3
0,5
5,9
15
-
40
45
7
2,3
0,5
-
-
22
15,5
17
 
7 jours
NC
32-1575-6-50
Poignée en T
Inox
6
7,3
0,5
5,9
15
-
40
50
7
2,3
0,5
-
-
22
15,5
17
 
7 jours
NC
32-1575-6-60
Poignée en T
Inox
6
7,3
0,5
5,9
15
-
40
60
7
2,3
0,5
-
-
22
15,5
17
 
7 jours
NC
32-1575-6-70
Poignée en T
Inox
6
7,3
0,5
5,9
15
-
40
70
7
2,3
0,5
-
-
22
15,5
17
 
7 jours
NC
32-1575-6-80
Poignée en T
Inox
6
7,3
0,5
5,9
15
-
40
80
7
2,3
0,5
-
-
22
15,5
17
 
7 jours
NC
32-1575-8-10
Poignée en T
Inox
8
9,8
0,5
7,9
15
-
40
10
8,4
2,8
0,6
-
-
22
15,5
35
 
7 jours
NC
32-1575-8-16
Poignée en T
Inox
8
9,8
0,5
7,9
15
-
40
16
8,4
2,8
0,6
-
-
22
15,5
35
 
7 jours
NC
32-1575-8-20
Poignée en T
Inox
8
9,8
0,5
7,9
15
-
40
20
8,4
2,8
0,6
-
-
22
15,5
35
 
7 jours
NC
32-1575-8-25
Poignée en T
Inox
8
9,8
0,5
7,9
15
-
40
25
8,4
2,8
0,6
-
-
22
15,5
35
 
7 jours
NC
32-1575-8-30
Poignée en T
Inox
8
9,8
0,5
7,9
15
-
40
30
8,4
2,8
0,6
-
-
22
15,5
35
 
7 jours
NC
32-1575-8-35
Poignée en T
Inox
8
9,8
0,5
7,9
15
-
40
35
8,4
2,8
0,6
-
-
22
15,5
35
 
7 jours
NC
32-1575-8-40
Poignée en T
Inox
8
9,8
0,5
7,9
15
-
40
40
8,4
2,8
0,6
-
-
22
15,5
35
 
7 jours
NC
32-1575-8-45
Poignée en T
Inox
8
9,8
0,5
7,9
15
-
40
45
8,4
2,8
0,6
-
-
22
15,5
35
 
7 jours
NC
32-1575-8-50
Poignée en T
Inox
8
9,8
0,5
7,9
15
-
40
50
8,4
2,8
0,6
-
-
22
15,5
35
 
7 jours
NC
32-1575-8-60
Poignée en T
Inox
8
9,8
0,5
7,9
15
-
40
60
8,4
2,8
0,6
-
-
22
15,5
35
 
7 jours
NC
32-1575-8-70
Poignée en T
Inox
8
9,8
0,5
7,9
15
-
40
70
8,4
2,8
0,6
-
-
22
15,5
35
 
7 jours
NC
32-1575-8-80
Poignée en T
Inox
8
9,8
0,5
7,9
15
-
40
80
8,4
2,8
0,6
-
-
22
15,5
35
 
7 jours
NC
32-1575-8-90
Poignée en T
Inox
8
9,8
0,5
7,9
15
-
40
90
8,4
2,8
0,6
-
-
22
15,5
35
 
7 jours
NC
32-1575-8-100
Poignée en T
Inox
8
9,8
0,5
7,9
15
-
40
100
8,4
2,8
0,6
-
-
22
15,5
35
 
7 jours
NC
32-1575-10-15
Poignée en T
Inox
10
11,7
1
9,9
18
-
48
15
9,8
3,3
1
-
-
27,5
20
47
 
7 jours
NC
32-1575-10-20
Poignée en T
Inox
10
11,7
1
9,9
18
-
48
20
9,8
3,3
1
-
-
27,5
20
47
 
7 jours
NC
32-1575-10-25
Poignée en T
Inox
10
11,7
1
9,9
18
-
48
25
9,8
3,3
1
-
-
27,5
20
47
 
7 jours
NC
32-1575-10-30
Poignée en T
Inox
10
11,7
1
9,9
18
-
48
30
9,8
3,3
1
-
-
27,5
20
47
 
7 jours
NC
32-1575-10-35
Poignée en T
Inox
10
11,7
1
9,9
18
-
48
35
9,8
3,3
1
-
-
27,5
20
47
 
7 jours
NC
32-1575-10-40
Poignée en T
Inox
10
11,7
1
9,9
18
-
48
40
9,8
3,3
1
-
-
27,5
20
47
 
7 jours
NC
32-1575-10-45
Poignée en T
Inox
10
11,7
1
9,9
18
-
48
45
9,8
3,3
1
-
-
27,5
20
47
 
7 jours
NC
32-1575-10-50
Poignée en T
Inox
10
11,7
1
9,9
18
-
48
50
9,8
3,3
1
-
-
27,5
20
47
 
7 jours
NC
32-1575-10-60
Poignée en T
Inox
10
11,7
1
9,9
18
-
48
60
9,8
3,3
1
-
-
27,5
20
47
 
7 jours
NC
32-1575-10-70
Poignée en T
Inox
10
11,7
1
9,9
18
-
48
70
9,8
3,3
1
-
-
27,5
20
47
 
7 jours
NC
32-1575-10-80
Poignée en T
Inox
10
11,7
1
9,9
18
-
48
80
9,8
3,3
1
-
-
27,5
20
47
 
7 jours
NC
32-1575-10-90
Poignée en T
Inox
10
11,7
1
9,9
18
-
48
90
9,8
3,3
1
-
-
27,5
20
47
 
7 jours
NC
32-1575-10-100
Poignée en T
Inox
10
11,7
1
9,9
18
-
48
100
9,8
3,3
1
-
-
27,5
20
47
 
7 jours
NC
32-1575-10-110
Poignée en T
Inox
10
11,7
1
9,9
18
-
48
110
9,8
3,3
1
-
-
27,5
20
47
 
7 jours
NC
32-1575-10-120
Poignée en T
Inox
10
11,7
1
9,9
18
-
48
120
9,8
3,3
1
-
-
27,5
20
47
 
7 jours
NC
32-1575-12-20
Poignée en T
Inox
12
13,7
1
11,9
18
-
48
20
11,3
3,8
1
-
-
27,5
20
75
 
7 jours
NC
32-1575-12-25
Poignée en T
Inox
12
13,7
1
11,9
18
-
48
25
11,3
3,8
1
-
-
27,5
20
75
 
7 jours
NC
32-1575-12-30
Poignée en T
Inox
12
13,7
1
11,9
18
-
48
30
11,3
3,8
1
-
-
27,5
20
75
 
7 jours
NC
32-1575-12-35
Poignée en T
Inox
12
13,7
1
11,9
18
-
48
35
11,3
3,8
1
-
-
27,5
20
75
 
7 jours
NC
32-1575-12-40
Poignée en T
Inox
12
13,7
1
11,9
18
-
48
40
11,3
3,8
1
-
-
27,5
20
75
 
7 jours
NC
32-1575-12-45
Poignée en T
Inox
12
13,7
1
11,9
18
-
48
45
11,3
3,8
1
-
-
27,5
20
75
 
7 jours
NC
32-1575-12-50
Poignée en T
Inox
12
13,7
1
11,9
18
-
48
50
11,3
3,8
1
-
-
27,5
20
75
 
7 jours
NC
32-1575-12-60
Poignée en T
Inox
12
13,7
1
11,9
18
-
48
60
11,3
3,8
1
-
-
27,5
20
75
 
7 jours
NC
32-1575-12-70
Poignée en T
Inox
12
13,7
1
11,9
18
-
48
70
11,3
3,8
1
-
-
27,5
20
75
 
7 jours
NC
32-1575-12-80
Poignée en T
Inox
12
13,7
1
11,9
18
-
48
80
11,3
3,8
1
-
-
27,5
20
75
 
7 jours
NC
32-1575-12-90
Poignée en T
Inox
12
13,7
1
11,9
18
-
48
90
11,3
3,8
1
-
-
27,5
20
75
 
7 jours
NC
32-1575-12-100
Poignée en T
Inox
12
13,7
1
11,9
18
-
48
100
11,3
3,8
1
-
-
27,5
20
75
 
7 jours
NC
32-1575-12-110
Poignée en T
Inox
12
13,7
1
11,9
18
-
48
110
11,3
3,8
1
-
-
27,5
20
75
 
7 jours
NC
32-1575-12-120
Poignée en T
Inox
12
13,7
1
11,9
18
-
48
120
11,3
3,8
1
-
-
27,5
20
75
 
7 jours
NC
32-1575-16-30
Poignée en T
Inox
16
18,7
1
15,9
22
-
58
30
14,2
4,8
1,2
-
-
34,5
27
138
 
7 jours
NC
32-1575-16-35
Poignée en T
Inox
16
18,7
1
15,9
22
-
58
35
14,2
4,8
1,2
-
-
34,5
27
138
 
7 jours
NC
32-1575-16-40
Poignée en T
Inox
16
18,7
1
15,9
22
-
58
40
14,2
4,8
1,2
-
-
34,5
27
138
 
7 jours
NC
32-1575-16-45
Poignée en T
Inox
16
18,7
1
15,9
22
-
58
45
14,2
4,8
1,2
-
-
34,5
27
138
 
7 jours
NC
32-1575-16-50
Poignée en T
Inox
16
18,7
1
15,9
22
-
58
50
14,2
4,8
1,2
-
-
34,5
27
138
 
7 jours
NC
32-1575-16-60
Poignée en T
Inox
16
18,7
1
15,9
22
-
58
60
14,2
4,8
1,2
-
-
34,5
27
138
 
7 jours
NC
32-1575-16-70
Poignée en T
Inox
16
18,7
1
15,9
22
-
58
70
14,2
4,8
1,2
-
-
34,5
27
138
 
7 jours
NC
32-1575-16-80
Poignée en T
Inox
16
18,7
1
15,9
22
-
58
80
14,2
4,8
1,2
-
-
34,5
27
138
 
7 jours
NC
32-1575-16-90
Poignée en T
Inox
16
18,7
1
15,9
22
-
58
90
14,2
4,8
1,2
-
-
34,5
27
138
 
7 jours
NC
32-1575-16-100
Poignée en T
Inox
16
18,7
1
15,9
22
-
58
100
14,2
4,8
1,2
-
-
34,5
27
138
 
7 jours
NC
32-1575-16-110
Poignée en T
Inox
16
18,7
1
15,9
22
-
58
110
14,2
4,8
1,2
-
-
34,5
27
138
 
7 jours
NC
32-1575-16-120
Poignée en T
Inox
16
18,7
1
15,9
22
-
58
120
14,2
4,8
1,2
-
-
34,5
27
138
 
7 jours
NC
32-1575-16-130
Poignée en T
Inox
16
18,7
1
15,9
22
-
58
130
14,2
4,8
1,2
-
-
34,5
27
138
 
7 jours
NC
32-1575-16-140
Poignée en T
Inox
16
18,7
1
15,9
22
-
58
140
14,2
4,8
1,2
-
-
34,5
27
138
 
7 jours
NC
32-1575-16-150
Poignée en T
Inox
16
18,7
1
15,9
22
-
58
150
14,2
4,8
1,2
-
-
34,5
27
138
 
7 jours
NC
32-1575-20-30
Poignée en T
Inox
20
22,7
1
19,8
25
-
58
30
14,8
4,8
1,2
-
-
34,5
27
228
 
7 jours
NC
32-1575-20-35
Poignée en T
Inox
20
22,7
1
19,8
25
-
58
35
14,8
4,8
1,2
-
-
34,5
27
228
 
7 jours
NC
32-1575-20-40
Poignée en T
Inox
20
22,7
1
19,8
25
-
58
40
14,8
4,8
1,2
-
-
34,5
27
228
 
7 jours
NC
32-1575-20-45
Poignée en T
Inox
20
22,7
1
19,8
25
-
58
45
14,8
4,8
1,2
-
-
34,5
27
228
 
7 jours
NC
32-1575-20-50
Poignée en T
Inox
20
22,7
1
19,8
25
-
58
50
14,8
4,8
1,2
-
-
34,5
27
228
 
7 jours
NC
32-1575-20-60
Poignée en T
Inox
20
22,7
1
19,8
25
-
58
60
14,8
4,8
1,2
-
-
34,5
27
228
 
7 jours
NC
32-1575-20-70
Poignée en T
Inox
20
22,7
1
19,8
25
-
58
70
14,8
4,8
1,2
-
-
34,5
27
228
 
7 jours
NC
32-1575-20-80
Poignée en T
Inox
20
22,7
1
19,8
25
-
58
80
14,8
4,8
1,2
-
-
34,5
27
228
 
7 jours
NC
32-1575-20-90
Poignée en T
Inox
20
22,7
1
19,8
25
-
58
90
14,8
4,8
1,2
-
-
34,5
27
228
 
7 jours
NC
32-1575-20-100
Poignée en T
Inox
20
22,7
1
19,8
25
-
58
100
14,8
4,8
1,2
-
-
34,5
27
228
 
7 jours
NC
32-1575-20-110
Poignée en T
Inox
20
22,7
1
19,8
25
-
58
110
14,8
4,8
1,2
-
-
34,5
27
228
 
7 jours
NC
32-1575-20-120
Poignée en T
Inox
20
22,7
1
19,8
25
-
58
120
14,8
4,8
1,2
-
-
34,5
27
228
 
7 jours
NC
32-1575-20-130
Poignée en T
Inox
20
22,7
1
19,8
25
-
58
130
14,8
4,8
1,2
-
-
34,5
27
228
 
7 jours
NC
32-1575-20-140
Poignée en T
Inox
20
22,7
1
19,8
25
-
58
140
14,8
4,8
1,2
-
-
34,5
27
228
 
7 jours
NC
32-1575-20-150
Poignée en T
Inox
20
22,7
1
19,8
25
-
58
150
14,8
4,8
1,2
-
-
34,5
27
228
 
7 jours
NC
32-1576-6-10
Poignée en T
Acier
6
7,3
0,5
5,9
15
-
40
10
7
2,3
0,5
-
-
22
15,5
14
 
7 jours
NC
32-1576-6-12
Poignée en T
Acier
6
7,3
0,5
5,9
15
-
40
12
7
2,3
0,5
-
-
22
15,5
14
 
7 jours
NC
32-1576-6-16
Poignée en T
Acier
6
7,3
0,5
5,9
15
-
40
16
7
2,3
0,5
-
-
22
15,5
14
 
7 jours
NC
32-1576-6-20
Poignée en T
Acier
6
7,3
0,5
5,9
15
-
40
20
7
2,3
0,5
-
-
22
15,5
14
 
7 jours
NC
32-1576-6-25
Poignée en T
Acier
6
7,3
0,5
5,9
15
-
40
25
7
2,3
0,5
-
-
22
15,5
14
 
7 jours
NC
32-1576-6-30
Poignée en T
Acier
6
7,3
0,5
5,9
15
-
40
30
7
2,3
0,5
-
-
22
15,5
14
 
7 jours
NC
32-1576-6-35
Poignée en T
Acier
6
7,3
0,5
5,9
15
-
40
35
7
2,3
0,5
-
-
22
15,5
14
 
7 jours
NC
32-1576-6-40
Poignée en T
Acier
6
7,3
0,5
5,9
15
-
40
40
7
2,3
0,5
-
-
22
15,5
14
 
7 jours
NC
32-1576-6-45
Poignée en T
Acier
6
7,3
0,5
5,9
15
-
40
45
7
2,3
0,5
-
-
22
15,5
14
 
7 jours
NC
32-1576-6-50
Poignée en T
Acier
6
7,3
0,5
5,9
15
-
40
50
7
2,3
0,5
-
-
22
15,5
14
 
7 jours
NC
32-1576-6-60
Poignée en T
Acier
6
7,3
0,5
5,9
15
-
40
60
7
2,3
0,5
-
-
22
15,5
14
 
7 jours
NC
32-1576-6-70
Poignée en T
Acier
6
7,3
0,5
5,9
15
-
40
70
7
2,3
0,5
-
-
22
15,5
14
 
7 jours
NC
32-1576-6-80
Poignée en T
Acier
6
7,3
0,5
5,9
15
-
40
80
7
2,3
0,5
-
-
22
15,5
14
 
7 jours
NC
32-1576-8-10
Poignée en T
Acier
8
9,8
0,5
7,9
15
-
40
10
8,4
2,8
0,6
-
-
22
15,5
28
 
7 jours
NC
32-1576-8-16
Poignée en T
Acier
8
9,8
0,5
7,9
15
-
40
16
8,4
2,8
0,6
-
-
22
15,5
28
 
7 jours
NC
32-1576-8-20
Poignée en T
Acier
8
9,8
0,5
7,9
15
-
40
20
8,4
2,8
0,6
-
-
22
15,5
28
 
7 jours
NC
32-1576-8-25
Poignée en T
Acier
8
9,8
0,5
7,9
15
-
40
25
8,4
2,8
0,6
-
-
22
15,5
28
 
7 jours
NC
32-1576-8-30
Poignée en T
Acier
8
9,8
0,5
7,9
15
-
40
30
8,4
2,8
0,6
-
-
22
15,5
28
 
7 jours
NC
32-1576-8-35
Poignée en T
Acier
8
9,8
0,5
7,9
15
-
40
35
8,4
2,8
0,6
-
-
22
15,5
28
 
7 jours
NC
32-1576-8-40
Poignée en T
Acier
8
9,8
0,5
7,9
15
-
40
40
8,4
2,8
0,6
-
-
22
15,5
28
 
7 jours
NC
32-1576-8-45
Poignée en T
Acier
8
9,8
0,5
7,9
15
-
40
45
8,4
2,8
0,6
-
-
22
15,5
28
 
7 jours
NC
32-1576-8-50
Poignée en T
Acier
8
9,8
0,5
7,9
15
-
40
50
8,4
2,8
0,6
-
-
22
15,5
28
 
7 jours
NC
32-1576-8-60
Poignée en T
Acier
8
9,8
0,5
7,9
15
-
40
60
8,4
2,8
0,6
-
-
22
15,5
28
 
7 jours
NC
32-1576-8-70
Poignée en T
Acier
8
9,8
0,5
7,9
15
-
40
70
8,4
2,8
0,6
-
-
22
15,5
28
 
7 jours
NC
32-1576-8-80
Poignée en T
Acier
8
9,8
0,5
7,9
15
-
40
80
8,4
2,8
0,6
-
-
22
15,5
28
 
7 jours
NC
32-1576-8-90
Poignée en T
Acier
8
9,8
0,5
7,9
15
-
40
90
8,4
2,8
0,6
-
-
22
15,5
28
 
7 jours
NC
32-1576-8-100
Poignée en T
Acier
8
9,8
0,5
7,9
15
-
40
100
8,4
2,8
0,6
-
-
22
15,5
28
 
7 jours
NC
32-1576-10-15
Poignée en T
Acier
10
11,7
1
9,9
18
-
48
15
9,8
3,3
1
-
-
27,5
20
38
 
7 jours
NC
32-1576-10-20
Poignée en T
Acier
10
11,7
1
9,9
18
-
48
20
9,8
3,3
1
-
-
27,5
20
38
 
7 jours
NC
32-1576-10-25
Poignée en T
Acier
10
11,7
1
9,9
18
-
48
25
9,8
3,3
1
-
-
27,5
20
38
 
7 jours
NC
32-1576-10-30
Poignée en T
Acier
10
11,7
1
9,9
18
-
48
30
9,8
3,3
1
-
-
27,5
20
38
 
7 jours
NC
32-1576-10-35
Poignée en T
Acier
10
11,7
1
9,9
18
-
48
35
9,8
3,3
1
-
-
27,5
20
38
 
7 jours
NC
32-1576-10-40
Poignée en T
Acier
10
11,7
1
9,9
18
-
48
40
9,8
3,3
1
-
-
27,5
20
38
 
7 jours
NC
32-1576-10-45
Poignée en T
Acier
10
11,7
1
9,9
18
-
48
45
9,8
3,3
1
-
-
27,5
20
38
 
7 jours
NC
32-1576-10-50
Poignée en T
Acier
10
11,7
1
9,9
18
-
48
50
9,8
3,3
1
-
-
27,5
20
38
 
7 jours
NC
32-1576-10-60
Poignée en T
Acier
10
11,7
1
9,9
18
-
48
60
9,8
3,3
1
-
-
27,5
20
38
 
7 jours
NC
32-1576-10-70
Poignée en T
Acier
10
11,7
1
9,9
18
-
48
70
9,8
3,3
1
-
-
27,5
20
38
 
7 jours
NC
32-1576-10-80
Poignée en T
Acier
10
11,7
1
9,9
18
-
48
80
9,8
3,3
1
-
-
27,5
20
38
 
7 jours
NC
32-1576-10-90
Poignée en T
Acier
10
11,7
1
9,9
18
-
48
90
9,8
3,3
1
-
-
27,5
20
38
 
7 jours
NC
32-1576-10-100
Poignée en T
Acier
10
11,7
1
9,9
18
-
48
100
9,8
3,3
1
-
-
27,5
20
38
 
7 jours
NC
32-1576-10-110
Poignée en T
Acier
10
11,7
1
9,9
18
-
48
110
9,8
3,3
1
-
-
27,5
20
38
 
7 jours
NC
32-1576-10-120
Poignée en T
Acier
10
11,7
1
9,9
18
-
48
120
9,8
3,3
1
-
-
27,5
20
38
 
7 jours
NC
32-1576-12-20
Poignée en T
Acier
12
13,7
1
11,9
18
-
48
20
11,3
3,8
1
-
-
27,5
20
61
 
7 jours
NC
32-1576-12-25
Poignée en T
Acier
12
13,7
1
11,9
18
-
48
25
11,3
3,8
1
-
-
27,5
20
61
 
7 jours
NC
32-1576-12-30
Poignée en T
Acier
12
13,7
1
11,9
18
-
48
30
11,3
3,8
1
-
-
27,5
20
61
 
7 jours
NC
32-1576-12-35
Poignée en T
Acier
12
13,7
1
11,9
18
-
48
35
11,3
3,8
1
-
-
27,5
20
61
 
7 jours
NC
32-1576-12-40
Poignée en T
Acier
12
13,7
1
11,9
18
-
48
40
11,3
3,8
1
-
-
27,5
20
61
 
7 jours
NC
32-1576-12-45
Poignée en T
Acier
12
13,7
1
11,9
18
-
48
45
11,3
3,8
1
-
-
27,5
20
61
 
7 jours
NC
32-1576-12-50
Poignée en T
Acier
12
13,7
1
11,9
18
-
48
50
11,3
3,8
1
-
-
27,5
20
61
 
7 jours
NC
32-1576-12-60
Poignée en T
Acier
12
13,7
1
11,9
18
-
48
60
11,3
3,8
1
-
-
27,5
20
61
 
7 jours
NC
32-1576-12-70
Poignée en T
Acier
12
13,7
1
11,9
18
-
48
70
11,3
3,8
1
-
-
27,5
20
61
 
7 jours
NC
32-1576-12-80
Poignée en T
Acier
12
13,7
1
11,9
18
-
48
80
11,3
3,8
1
-
-
27,5
20
61
 
7 jours
NC
32-1576-12-90
Poignée en T
Acier
12
13,7
1
11,9
18
-
48
90
11,3
3,8
1
-
-
27,5
20
61
 
7 jours
NC
32-1576-12-100
Poignée en T
Acier
12
13,7
1
11,9
18
-
48
100
11,3
3,8
1
-
-
27,5
20
61
 
7 jours
NC
32-1576-12-110
Poignée en T
Acier
12
13,7
1
11,9
18
-
48
110
11,3
3,8
1
-
-
27,5
20
61
 
7 jours
NC
32-1576-12-120
Poignée en T
Acier
12
13,7
1
11,9
18
-
48
120
11,3
3,8
1
-
-
27,5
20
61
 
7 jours
NC
32-1576-16-30
Poignée en T
Acier
16
18,7
1
15,9
22
-
58
30
14,2
4,8
1,2
-
-
34,5
27
113
 
7 jours
NC
32-1576-16-35
Poignée en T
Acier
16
18,7
1
15,9
22
-
58
35
14,2
4,8
1,2
-
-
34,5
27
113
 
7 jours
NC
32-1576-16-40
Poignée en T
Acier
16
18,7
1
15,9
22
-
58
40
14,2
4,8
1,2
-
-
34,5
27
113
 
7 jours
NC
32-1576-16-45
Poignée en T
Acier
16
18,7
1
15,9
22
-
58
45
14,2
4,8
1,2
-
-
34,5
27
113
 
7 jours
NC
32-1576-16-50
Poignée en T
Acier
16
18,7
1
15,9
22
-
58
50
14,2
4,8
1,2
-
-
34,5
27
113
 
7 jours
NC
32-1576-16-60
Poignée en T
Acier
16
18,7
1
15,9
22
-
58
60
14,2
4,8
1,2
-
-
34,5
27
113
 
7 jours
NC
32-1576-16-70
Poignée en T
Acier
16
18,7
1
15,9
22
-
58
70
14,2
4,8
1,2
-
-
34,5
27
113
 
7 jours
NC
32-1576-16-80
Poignée en T
Acier
16
18,7
1
15,9
22
-
58
80
14,2
4,8
1,2
-
-
34,5
27
113
 
7 jours
NC
32-1576-16-90
Poignée en T
Acier
16
18,7
1
15,9
22
-
58
90
14,2
4,8
1,2
-
-
34,5
27
113
 
7 jours
NC
32-1576-16-100
Poignée en T
Acier
16
18,7
1
15,9
22
-
58
100
14,2
4,8
1,2
-
-
34,5
27
113
 
7 jours
NC
32-1576-16-110
Poignée en T
Acier
16
18,7
1
15,9
22
-
58
110
14,2
4,8
1,2
-
-
34,5
27
113
 
7 jours
NC
32-1576-16-120
Poignée en T
Acier
16
18,7
1
15,9
22
-
58
120
14,2
4,8
1,2
-
-
34,5
27
113
 
7 jours
NC
32-1576-16-130
Poignée en T
Acier
16
18,7
1
15,9
22
-
58
130
14,2
4,8
1,2
-
-
34,5
27
113
 
7 jours
NC
32-1576-16-140
Poignée en T
Acier
16
18,7
1
15,9
22
-
58
140
14,2
4,8
1,2
-
-
34,5
27
113
 
7 jours
NC
32-1576-16-150
Poignée en T
Acier
16
18,7
1
15,9
22
-
58
150
14,2
4,8
1,2
-
-
34,5
27
113
 
7 jours
NC
32-1576-20-30
Poignée en T
Acier
20
22,7
1
19,8
25
-
58
30
14,8
4,8
1,2
-
-
34,5
27
187
 
7 jours
NC
32-1576-20-35
Poignée en T
Acier
20
22,7
1
19,8
25
-
58
35
14,8
4,8
1,2
-
-
34,5
27
187
 
7 jours
NC
32-1576-20-40
Poignée en T
Acier
20
22,7
1
19,8
25
-
58
40
14,8
4,8
1,2
-
-
34,5
27
187
 
7 jours
NC
32-1576-20-45
Poignée en T
Acier
20
22,7
1
19,8
25
-
58
45
14,8
4,8
1,2
-
-
34,5
27
187
 
7 jours
NC
32-1576-20-50
Poignée en T
Acier
20
22,7
1
19,8
25
-
58
50
14,8
4,8
1,2
-
-
34,5
27
187
 
7 jours
NC
32-1576-20-60
Poignée en T
Acier
20
22,7
1
19,8
25
-
58
60
14,8
4,8
1,2
-
-
34,5
27
187
 
7 jours
NC
32-1576-20-70
Poignée en T
Acier
20
22,7
1
19,8
25
-
58
70
14,8
4,8
1,2
-
-
34,5
27
187
 
7 jours
NC
32-1576-20-80
Poignée en T
Acier
20
22,7
1
19,8
25
-
58
80
14,8
4,8
1,2
-
-
34,5
27
187
 
7 jours
NC
32-1576-20-90
Poignée en T
Acier
20
22,7
1
19,8
25
-
58
90
14,8
4,8
1,2
-
-
34,5
27
187
 
7 jours
NC
32-1576-20-100
Poignée en T
Acier
20
22,7
1
19,8
25
-
58
100
14,8
4,8
1,2
-
-
34,5
27
187
 
7 jours
NC
32-1576-20-110
Poignée en T
Acier
20
22,7
1
19,8
25
-
58
110
14,8
4,8
1,2
-
-
34,5
27
187
 
7 jours
NC
32-1576-20-120
Poignée en T
Acier
20
22,7
1
19,8
25
-
58
120
14,8
4,8
1,2
-
-
34,5
27
187
 
7 jours
NC
32-1576-20-130
Poignée en T
Acier
20
22,7
1
19,8
25
-
58
130
14,8
4,8
1,2
-
-
34,5
27
187
 
7 jours
NC
32-1576-20-140
Poignée en T
Acier
20
22,7
1
19,8
25
-
58
140
14,8
4,8
1,2
-
-
34,5
27
187
 
7 jours
NC
32-1576-20-150
Poignée en T
Acier
20
22,7
1
19,8
25
-
58
150
14,8
4,8
1,2
-
-
34,5
27
187

Correspond aux normes GN 114.7 / GN 114.8 / GN 114.11 / GN 114.12

Produits associés

Retour en haut