Informations
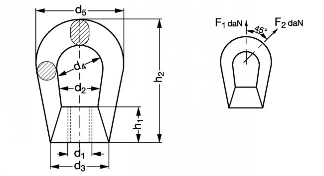
Anneau de levage à anse
MATIERE
- Acier carbone C15 estampé, noir ou zingué blanc.
- Marquages sur le produit : diamètre, CE, CMU, matière, n° de lot.
: Ajouter au panier pour faire une demande de prix
: Télécharger le fichier 3D
: Les références en stock sont marquées D
: Délai d'approvisionnement indiqué sous réserve de disponibilité fournisseur
: Afficher le schéma avec l'ensemble des cotes de la référence correspondante


