Photos
Dessins techniques
| EXAMPLE OF ORDER : | Référence 18-7151-3 |
Information
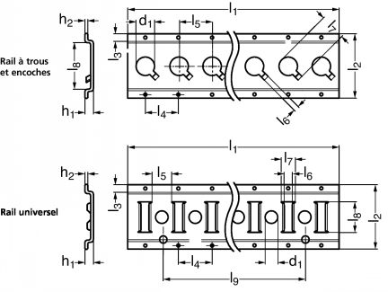
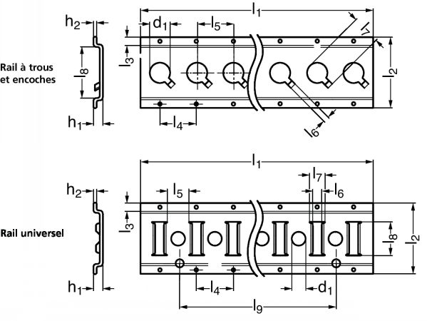
Rail d'arrimage
MATIERE
- Acier galvanisé.
UTILISATION
- Un rail d'arrimage, parfois appelé rail logistique ou rail d'ancrage, est un profil métallique fixé à l'intérieur d'un fourgon ou d'un véhicule utilitaire.
- Son rôle principal est de sécuriser et maintenir en place la marchandise ou le matériel transporté, grâce à des sangles, barres d'arrimage, crochets ou filets.
: Ajouter au panier pour faire une demande de prix
: Télécharger le fichier 3D
: Les références en stock sont marquées D
: Délai d'approvisionnement indiqué sous réserve de disponibilité fournisseur
: Afficher le schéma avec l'ensemble des cotes de la référence correspondante
STANDARD PARTS


