Informaciónes

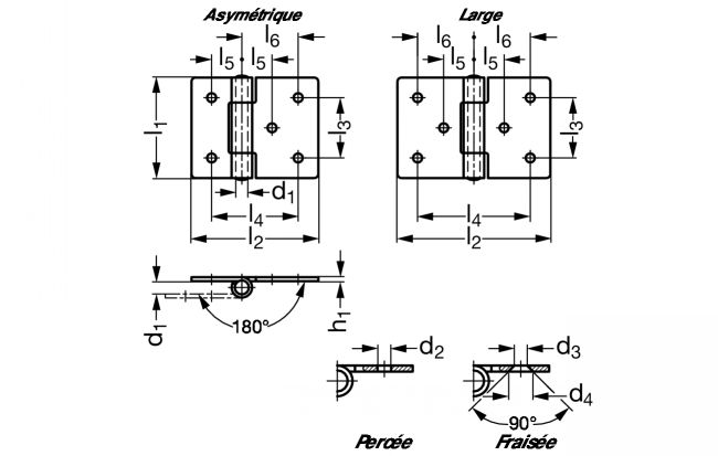
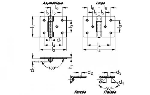
Charnière asymétrique ou large, noeud à plat, inox 316
MATIERE
- Inox (AFNOR Z 6 CND 17-11, Werk 1.4401, AISI 316).
- Axe en inox (AFNOR Z 6 CND 17-11, Werk 1.4401, AISI 316), riveté.
: Ajouter au panier pour faire une demande de prix
: Télécharger le fichier 3D
: Les références en stock sont marquées D
: Délai d'approvisionnement indiqué sous réserve de disponibilité fournisseur
: Afficher le schéma avec l'ensemble des cotes de la référence correspondante




